主要用途:監控設備,醫療儀器,工業自動化設備 Applications: Monitor equipment、Medical equipment、Industrial automation 機身長度范圍:25-60mm Length range: 25-60mm
基本性能
精度Accuracy | 步距角Step angle | ±5% |
電阻Resistance | ±10% | |
電感Inductance | ±20% | |
絕緣等級Insulation class | B | |
工作制Duty type | S1 | |
介電強度Dielectrical strength | 500 VAC/1 KHz/1 mA/1 s | |
絕緣電阻Insulation resistance | 100 MΩ/500V DC | |

技術數據
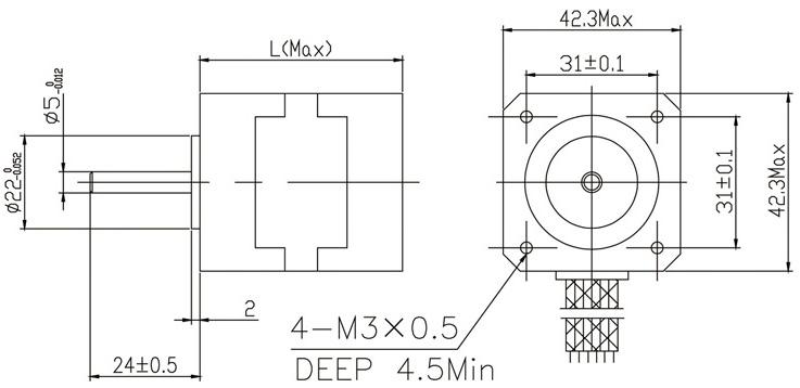
● 機械尺寸Dimensions

● 接線圖Wiring Diagram
